GOAT INDUSTRIES
Mikhail Belkin
Francesco Nano
b.sverdlyuk
mkdxdx
Benny Cheung
rex
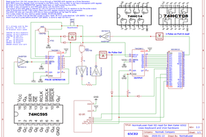
NormalL User
mit41301
Florian Wilhelm Dirnberger
CentyLab
Michael Perrone
Misael
Rhea Rae
Seb Jimmink
Michael Wessel