Inspiration
We all can write higher level languages but without a hardware that can support it, we can't really do much.
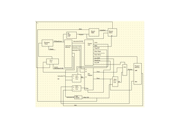
What it does
MIPS implementation is simplified to contain only: –memory-reference instructions: load word, store word –arithmetic-logical instructions: add,sub,and,or,shift if less than –control flow instructions: branch if equal to, jump
How I built it
I used Structural Verilog to build the modules
Challenges I ran into
simulating the processor as a whole.
Accomplishments that I'm proud of
I built a freaking CPU!!
What I learned
a whole lot of verilog!
What's next for CPÜ FROM SCRATCH
I would like to add Pipelining to make it faster
Built With
- hardware
- software
- verilog

Log in or sign up for Devpost to join the conversation.