Summary of Arduino ATmega328 – Hardcore using arduino
This article describes a kit designed to help users build their own Arduino Uno-compatible board with an ATMega328 microcontroller. The kit includes essential components such as the ATMega328 chip with Arduino bootloader, crystal oscillator, voltage regulator, reset switch, capacitors, an LED with resistor, and parts for auto-reset functionality. It allows programming via a TTL serial connection using an FT232RL USB to serial breakout board. The setup aims to simplify transitioning from Arduino prototypes to custom PCB designs.
Parts used in the Arduino ATMega328 Kit:
- ATMega328 microcontroller with Arduino bootloader
- 8MHz or 16MHz crystal oscillator
- Capacitors for crystal oscillator (typically two capacitors)
- 3.3V or 5V voltage regulator
- 47µF capacitor for voltage regulator
- PCB mount reset switch
- 10KΩ pull-up resistor for reset
- 0.1µF capacitor for auto-reset functionality
- LED
- Current limiting resistor for LED
Ok, you’ve completed your prototype using an Arduino Uno board, perhaps using a shield or a breadboard for any additional components, but now you want to finalise your design and construct it using your own pcb. Well, that is fairly straightforward, as we have made a complete kit of essential parts available for the ATMega328 micro (click here). The kit includes the following items (depending on which bootloader chip 16MHz or 8MHz)
- ATMega328 complete with Arduino Bootloader already installed
- 8 or 16MHz Crystal and capacitors
- 3.3V or 5V Voltage Regulator and 47uF capacitor
- PCB mount reset switch and 10K pullup resistor
- 0.1uF capacitor for self-reset
- LED and resistor
The kit includes the essential items to create your own Arduino 328 board. Here is a breadboard with all the components mounted and running the demo led flash program
The White, Yellow and Green wires are connected to a serial TTL connection for programming the microcontroller (see below)
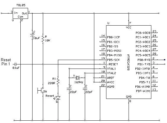
And below is the schematic for this circuit.
You can program the processor directly from the Arduino IDE. All you need is a TTL serial connection. The FT232RL USB to Serial breakout board is ideal for this. Now that we are using the modified Arduino UNO bootloader, we have also included a 0.1uF capacitor in the kit which allows for the auto-reset functionality of the UNO boards. This capacitor goes between the DTR pin on the FT232RL USB to Serial board and the Reset pin on the ATmega328.
Just connect th
e ATMega328 RX (pin 2) to TX on the breakout board, the ATMega328 TX (pin 3) to RX on the breakout board, connect the 0V and you are connected
For more detail: Arduino ATmega328 – Hardcore

