Summary of Arduino-based AVR High Voltage Programmer
This article describes an Arduino-based High Voltage (HV) Programmer designed to recover AVR microcontrollers, like the ATmega168, that have been rendered unprogrammable due to disabled RESET pins. The device uses an Arduino board with a custom shield to apply the +12V needed for high voltage parallel programming, allowing modification of fuse settings to restore the AVR. The project includes software (HVFuse sketch) and a hardware shield with a schematic and parts list. Updates mention kit availability and improvements in the design.
Parts used in the Arduino-based AVR High Voltage Programmer:
- Arduino NG, Diecimila, or compatible board
- Perfboard cut to size
- Header pins for Arduino interface
- LED indicator
- 2N3903 NPN transistor (or similar such as 2N2222)
- 20 × 1kΩ resistors
- Pushbutton switch (‘go’ button)
- 28-pin socket for the target AVR
Update 01/02/09: A PCB version of this circuit is in the design stages – some preliminary information is here.
Update 03/11/09: Kits based on this design are now for sale!
Update 12/14/10: The original AVR HV Rescue Shield kit has been replaced by the new and improved HV Rescue Shield 2. Visit the HV Rescue Shield 2 product page for information about the new kit!
As I mentioned earlier this week, I recently “lost” an ATmega168 due to flashing the configuration fuses to disable the RESET pin, without realizing that this makes the device impossible to reflash with SPI. This is particularly frustrating because the device is still 100% functional, just completely deaf to ordinary serial programmers. The only way to recover the device is using what Atmel calls “High Voltage Parallel Programming Mode” which very few programmers support, most importantly, not the USBtinyISP I otherwise love.
Fortunately, my trusty Arduino came to the rescue – I created an Arduino-based AVR programmer that uses the high voltage programming mode and can fix pesky fuses like RSTDISBL.
The Arduino has just enough IO to implement the entire HV protocol plus a “go” button. So far I have only implemented setting LFUSE and HFUSE in software, but there is no reason why the code couldn’t be extended to support chip erase and programming the entire flash as well.
Overview:
The fuse programming process is simple:
- Upload the HVFuse sketch to the Arduino, available for download here: HVFuse.pde
- Install the shield and apply +12VDC to the terminals on the left
- Wait for the red LED to turn on (if it isn’t already)
- Install the ATmega to be repaired
- Push the button
- As soon as the LED turns back on, the AVR is fixed and ready to be put back into service!
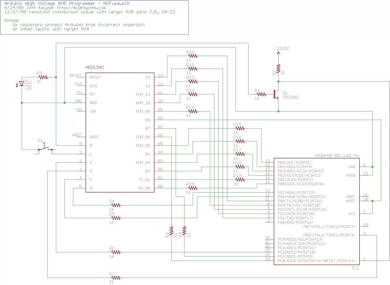
Here is an Eagle schematic of the HV Programming shield (click to enlarge):
Update 12/17/08: An observant reader pointed out that there were three errors in the way GND/AGND, AREF and VCC/AVCC were connected on the target AVR in the original schematic. The errors have been fixed and the updated schematic is below. Apologies for any confusion this caused.
Parts list:
- An Arduino NG, Diecimila, or compatible
- A piece of perfboard cut to size
- Header pins for the Arduino interface (note I had to drill some of the holes to get the headers to fit the nonstandard pin spacing for digital lines 8-13.
- An LED which indicates when it is ok to insert/remove the AVR
- A 2N3903 or similar NPN transistor (2N2222, etc.)
- (20) 1k resistors – these protect the Arduino from short circuits in case something goes wrong
- A pushbutton switch – this is the ‘go’ button
- A 28-pin socket for the target AVR
Source: Arduino-based AVR High Voltage Programmer

