Summary of ARDUINO based IR remote control robot using arduino
This project describes building an IR remote-controlled robot using an Arduino Uno. It involves connecting a TSOP1738 IR receiver to digital pin 11, controlling two DC motors via an L293D H-bridge IC, and powering the setup with a 9V battery. The process includes reading IR remote button values through the Arduino serial monitor using the IRremote library, then programming the robot to respond to specific remote commands for movement.
Parts used in the IR remote control robot using Arduino:
- Arduino Uno
- TSOP1738 IR receiver
- L293D H-bridge IC
- Two DC motors
- Robot base
- 9V Battery
Hi everyone. This my new project IR remote control robot using arduino. This is a simple design robot you can easily build it.
Step 1: Requirements:
Project requirements:
- Arduino uno Tsop1738 (ir receiver)
- H bridge ic (L293D)
- Two dc motor
- A robot base
- 9v Battery
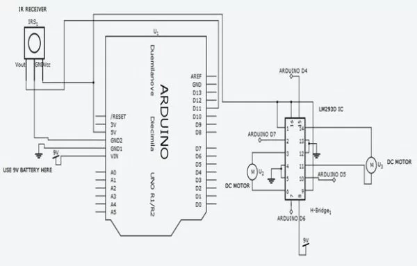
Step 2: Circuit Diagram
For The circuit diagram refer the bellow device pin description and make connection to arduino based on the program of the robot:
Important: connect ir receiver out to arduino digital pin 11 only.
- Connect arduino pin 7- l293d INPUT 1 pin 2
- Connect arduino pin 6- l293d INPUT 2 pin 7
- Connect arduino pin 5- l293d INPUT 3 pin 10
- Connect arduino pin 4- l293d INPUT 4 pin 15
Connect two motor show like above images.and configure the lm293d as in image 3 above.
First do the circuit connection shown previous and download the ir remote library file for arduino IDE. And copy the library file in the arduino libraries folder.
And then run the arduino ide select sketch like that given bellow
File -> examples->IR remote->IR recv demo
Upload the sketch to arduino and open serial monitor. Press the TV IR remote (any company) in front of ir receiver then you will see the decode hex code in serial monitor (example : FF30CF). the code will vary according to the remote company. Press any 5 button in remote and note down the codes shown in the serial monitor for programming purpose.
For more detail: ARDUINO based IR remote control robot


