Summary of Arduino weather station part 2 using arduino
This project is an indoor LCD weather display using an Atmega328 Arduino MCU. It connects to the internet via an ENC28J60 Ethernet module to retrieve current weather data, displayed on an LCD12864 graphic screen controlled by an ST7920 chip. The device uses two LP2950 voltage regulators to supply the required 3.3V. The LCD shows detailed weather info and graphical icons like sun or clouds, with buttons to view and reset maximum and minimum values over time. The setup is versatile for any internet accessible location.
Parts used in the Indoor LCD Weather Display:
- Atmega328 Arduino MCU
- Two LP2950 voltage regulators
- Four buttons
- ENC28J60 Ethernet module
- LCD12864 graphic display module with ST7920 controller
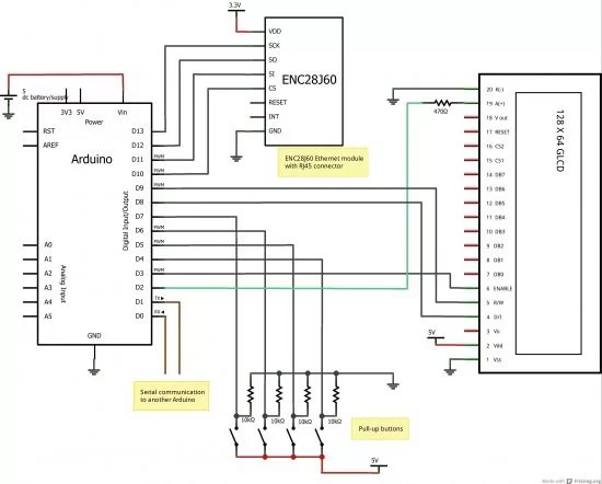
Sometimes I just do not have time to connect to the internet and check current weather conditions. This is the reason why I made this indoor LCD weather display based on Atmega328 Arduino MCU. The circuit board consists of two LP2950 voltage regulators, MCU, four buttons, ENC28J60 Ethernet module and LCD12864 graphic display module.
The Ethernet module is used to connect to this website and to download current data. With it I am not limited to use only at home, but it can be used in any place with internet access. The input voltage is 3V3 so this is the reason why I have two voltage regulators. The connection to MCU is established using SCK, MISO, MIMO and SS digital pins.
The LCD12864 display uses ST7920 controller that has the option of parallel and serial communication. Serial communication is preferred because it uses only three digital pins (3, 8 and 9) instead of ten or more for parallel. Another advantage with this display is that it can be used in graphic mode. With it you can control individual pixels on screen. I used this to draw the sun or clouds depending on a outside conditions.
LCD display in action. On the first screen you can see the current weather data (temperature, humidity, wind pressure, cloud coverage and sky temperature), the time when they were recorded and if the change from earlier time is positive, negative or constant. On the second picture the display is showing maximum and minimum within certain period and they can even be reset. All the captions are in Slovene language. More pictures can be found in gallery.
For more detail: Arduino weather station part 2


