Summary of The LCDuino-1 I/O processor
This article introduces the LCDuino-1, an Arduino-based modular and extensible I/O processor designed for audio pre-amplifiers and other devices. It features an Atmel ATMEGA328P microcontroller, supports an industry-standard 2x16 LCD display, and offers expansion via an onboard MCP23008 I/O port expander. Additional modules include a real-time clock option and an infrared receiver for remote control. The design emphasizes flexibility, ease of integration, and user customization, aiming to replace conventional mechanical controls with advanced, programmable options.
Parts used in the LCDuino-1 project:
- Atmel ATMEGA328P microcontroller
- 16MHz ceramic resonator
- Industry-standard 2 row x 16 characters LCD module (80mm x 36mm, parallel interface, 5V DC)
- MCP23008 I²C port expander chip
- DS1302 real-time clock chip (optional)
- 32.768KHz crystal (for RTC)
- 0.022 Farad supercapacitor (optional, for RTC backup)
- Vishay TSOP34838 infrared receiver
- Pushbutton reset switch
- Various connectors and pin headers (2x 6P for LCD, 3P for IR receiver)
News
– April 25, 2010: All future announcements and updates for the LCDuino-1 and related app modules (δ1 relay-based attenuator, δ2 relay-based input/output selector, and others) have moved to the new AMB DIY audio forum. We have an entire forum category dedicated to the LCDuino system, with separate sub-forums for each module. LinuxWorks and I will focus our support of these projects there.
Introduction
Ever since I built my β24 power amplifier, I’ve been wanting to build a high-end pre-amp to match. However, rather than using ordinary rotary switches for input/output selection, and a conventional potentiometer or stepped attenuator based on a mechanical switch for volume, I wanted to do something better.
There are off-the-shelf solutions available for relay-based selectors, relay-based, chip-based or motorized pot volume controls, etc., but virtually all of them are designed for a singular purpose, some are operable with a remote control, some not. Some have a display for status, some don’t. It would be nice to have all of those features, yet implement it in an extensible manner such that more capabilities could be added without wholesale redesign, and to allow a builder to tailor the system to suit his/her exact needs.
Many of you may have noticed the recent Arduino-based LCD driver circuits that linuxworks built on perfboards, controlling a myriad of devices such as the input/output selector and volume control for his β22, a S/PDIF input selector, and even an Espresso machine monitor/controller. Many months ago we began exploring the idea about turning the basic concept into a generic, extensible and modular platform, usable for many applications not only for audio, but other devices too.
Arduino is attractive because of the rich set of tools, libraries, code and support available for firmware development. It uses the C programming language and the GNU C compiler (gcc) in a nice graphical integrated development environment. The environment runs on Linux, Windows and MacOS X. There is also a large and active Arduino programmer and user community where Open Source is de rigeur. In all it’s a very exciting and dynamic scene and fits perfectly with the spirit of our project and goals.
The LCDuino-1
The first result of this collaboration is the LCDuino-1 I/O processor, which will serve as the “heart” of the entire framework.
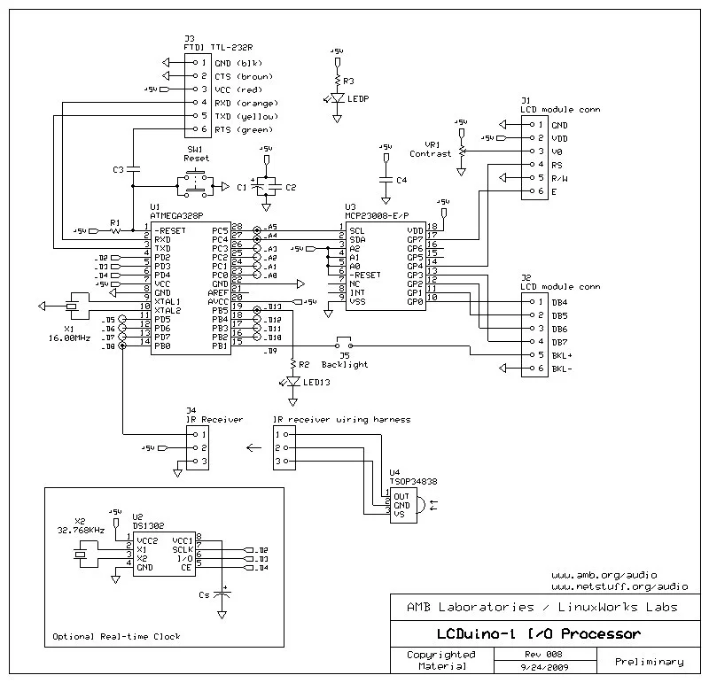
LCDuino-1 is basically an LCD driver circuit based on a customized Arduino platform with some extra features. This board has two 6P pin headers which will mate up with matching receptacles on an industry-standard 2 row x 16 characters LCD module (80mm x 36mm, parallel interface, 5V DC, low-power backlighting). These LCD modules are available in various colors and backlighting, transmissive or transflective. Here are some examples of usable LCD modules. The LCDuino-1 has the same form-factor as the LCD module, with matching screw hole locations. When mated together, they become a two-board “sandwich” that is easily mounted to an enclosure’s front panel. LCDuino-1’s slim profile allows the assembly to fit in a 1U rack case. Off-the-shelf front bezels are available for these LCD modules.
Depending on the nature of the application, the LCD display would show the current input/output selection, a volume control bargraph, the date and time (see below), or some other information as appropriate.
It is worth noting that the LCD module is actually optional, LCDuino-1 could function without one. There may be applications where no display is required, yet LCDuino-1 could still serve as the control center.
The main component on LCDuino-1 is the Atmel ATMEGA328P microcontroller. See the datasheet for chip features, you’ll notice that amongst other features, this microcontroller offers many digital and analog I/O ports, I²C serial bus support and serial UART for program download, making it very versatile as a monitor and controller for devices. The microcontroller is clocked by a 16MHz ceramic resonator, and has an onboard pushbutton reset switch should the need arise.
On the LCDuino-1, the I²C bus is connected to an onboard MCP23008 port expander chip, which gives us 8 more I/O ports. Six of these ports are used for controlling the LCD module. This means that we only consume 2 of the microcontroller’s ports to operate the LCD module (plus one more port for the backlight). The I²C bus can be extended offboard to other devices (see “Application modules” below).
An optional real-time clock chip DS1302 may be populated (clocked with a 32.768KHz crystal and could be backed up with an optional 0.022 Farad supercapacitor). This allows the LCD display to double as a date/time clock. The real-time clock option consumes three of the microcontroller’s ports.
A 3P pin header is provided to connect a Vishay TSOP34838 infrared receiver for remote control purposes. The infrared receiver’s output uses up one microcontroller port. The module should be mounted on the enclosure’s front panel.
For more detail: The LCDuino-1 I/O processor
