Summary of TiDiGino Contest using arduino
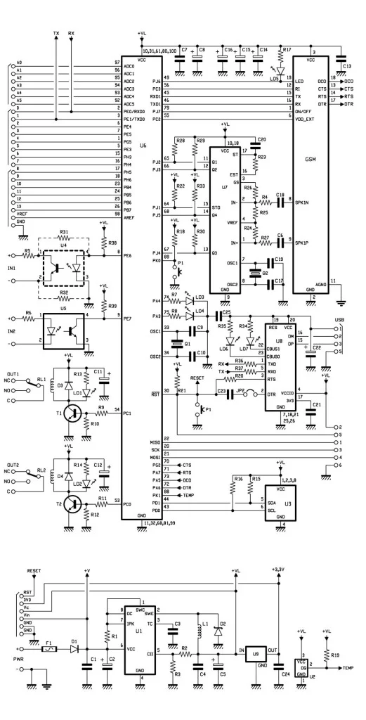
The TiDiGino project is a GSM remote control device based on the ATMEGA2560 and Arduino Mega 2560 platform. It integrates GSM communication via the SIM900 module and supports functions from previous models like gate control, thermostat, and DTMF remote control. The project encourages users to write custom firmware to manage its features, with libraries and example sketches provided. Participants can apply with their Arduino projects for a chance to receive a TiDiGino device. The device supports temperature sensing with a DS18B20 sensor and enables remote control via SMS and phone calls.
Parts used in the TiDiGino project:
- ATMEGA2560 microcontroller
- Arduino Mega 2560 board
- SIM900 GSM module
- DS18B20 temperature sensor
- Various digital I/O pins for control (e.g., powergsm, ctsgsm, rtsgsm)
- Relays (rele1 and rele2)
- LED indicators (ld1 and ld2)
- External 12V 1A power supply
The project TiDiGino
We developed a new GSM remote control called TiDiGino. The name recalls the initials (TDGxx) of our previous GSM remote control and is also based on the Arduino project. All the details of this circuit can be found below, but no the sketch, because this is your assignment.
The contest
You have to write the firmware for this project. The device must perform all the functions of the past GSM remote control: TDG133 (remote 2IN 2 OUT), TDG134 (gate remote control), TDG139 (GSM thermostat) and TDG140 (DTMF remote control). Before you start thinking about the new firmware it is therefore necessary to understand what are the functions performed by various GSM remote control proposed in the past and understand how you can get anything from a single circuit: the TiDiGino!
To write the sketch you must have a TiDiGino device. Don’t worry, we’ll give away 10 TiDiGino’s to candidates chosen by the community. If you want to engage in firmware developing and get one GSM remote control, you have to send an your professional or academic experience and send us at least one project you made with the Arduino platform. We’ll post the projects in this blog to showcase your works and give the opportunity to pick the 10 candidates who will receive the remote control for free.
Send your projects, experience and also idea until the end of August 2011 using the contact form. In September we’ll nominate the candidates with most votes and we’ll send them the GSM remote control TiDiGino. Warning: our remote control does not include the SIM card. By the end of September, the best firmware wins a handheld oscilloscope HPS50 by Velleman. Obviously, anyone can participate in the Contest by sending the firmware developed.
Send now your request for participation using the contact form (registration are closed) Thank you.
You can attach a zip file (max. 5 MB) containing:
– Your personal details and a brief description of your experience (max. 1 page);
– A complete project made with Arduino, including a description of the circuit, the circuit diagram, PCB (in the case of shield), the sketch and one or more photos in jpg format.
The Projects: GSM remote control TiDiGino
TiDiGino is based on a ATMEGA2560 chip, some of his pins are used to manage the GSM module, these ports are not used from the original Arduino MEGA 2560, so for this reason it is necessary replace the file pins_arduino.c located under the IDE installation folder (eg C: \ Program Files \ arduino-0022 \ hardware \ arduino \ cores \ arduino) with the file content in this folder: pins_arduino.zip
This allow to use any additional shield. Therefore you can use sketches already made for the original Arduino Board to control a particular shield with TiDiGino.
The file GSM_TDGINO.zip contains the library to manage the GSM of TDGINO. This library is derived from one developed by HWKitchen but has been adapted to our hardware. In particular, we use the second serial of the ATMEGA2560 to manage the GSM module SIM900. Decompressing the zip in the folder of the Arduino libraries (eg C: \Program Files \ arduino-0022 \ libraries) the library is immediately usable.
The library is similar to the GSM SHIELD library. And for this shield Marco Martines developed the GPRS functions that you can implement in this library.
By copying the library, are automatically installed the examples that we have developed to manage the various devices. In order to test these examples you need to connect to the USB port TiDiGino and provide an external power supply of about 12V 1A. This creates a virtual COM will be used to program the remote control. Select Board “Arduino Mega 2560″ and from the menu File-> Examples-> GSM_TDGINO choose the example you want to load on the telecontrol.
TDGINO CALL
This sketch allows you to understand how the library control the GSM module. The status of the call, or if there is a call in progress, or no incoming call is send to the serial port. The sketch reads the first 10 phone numbers found on the SIM and if a SMS arrives it send the data on the serial port.
1 2 3 4 5 6 7 8 9 10 11 12 13 14 15 16 17 18 19 20 21 22 23 24 25 26 27 28 29 30 31 32 33 34 35 36 37 38 39 40 41 42 43 44 45 46 47 48 49 50 51 52 53 54 55 56 57 58 59 60 61 62 63 64 65 66 67 68 69 70 71 72 73 74 75 76 77 78 79 80 81 82 83 84 85 86 87 88 89 90 91 92 93 94 95 96 97 98 99 100 101 102 103 104 105 106 107 108 109 110 111 112 113 114 115 116 117 118 119 120 121 122 123 124 125 126 127 128 129 130 131 132 133 134 135 136 137 138 139 140 141 142 143 144 145 146 147 148 149 150 151 152 153 154 155 156 157 158 159 160 161 162 163 164 165 166 167 168 169 170 171 172 173 174 175 176 177 178 179 180 181 182 183 184 185 186 187 188 189 190 191 192 193 194 195 196 197 198 199 200 201 | /* TDGino exampleSketch to test the call function created 2011 by Boris Landoni This example code is in the public domain. */#include <GSM.h>//for enable disable debug rem or not the string #define DEBUG_PRINT// definition of instance of GSM classGSM gsm;// Set pin numbers:const int powergsm = 77;const int ctsgsm = 39;const int rtsgsm = 29;const int dcdgsm = 27;const int dtrgsm = 28;const int reset = 35;const int ring = 34;const int ld1 = 25;const int ld2 = 26;const int stato = 76;const int rele1 = 36;const int rele2 = 37;const int sda = 20;const int scl = 21;const int in1 = 84;const int in2 = 83;const int stddtmf = 14;const int q1dtmf = 72;const int q2dtmf = 73;const int q3dtmf = 74;const int q4dtmf = 75;const int puls = 62;const int sonda = 63;void setup() { // set the digital pin as output: pinMode(powergsm, OUTPUT); pinMode(rtsgsm, OUTPUT); pinMode(dtrgsm, OUTPUT); pinMode(reset, OUTPUT); pinMode(ld1, OUTPUT); pinMode(ld2, OUTPUT); pinMode(rele1, OUTPUT); pinMode(rele2, OUTPUT); pinMode(sda, OUTPUT); pinMode(scl, OUTPUT); // set the digital pin as input: pinMode(ctsgsm, INPUT); pinMode(dcdgsm, INPUT); pinMode(ring, INPUT); pinMode(stato, INPUT); pinMode(in1, INPUT); pinMode(in2, INPUT); pinMode(stddtmf, INPUT); pinMode(q1dtmf, INPUT); pinMode(q2dtmf, INPUT); pinMode(q3dtmf, INPUT); pinMode(q4dtmf, INPUT); pinMode(puls, INPUT); pinMode(sonda, INPUT); // start serial port at 9600 bps: Serial.begin(9600); //Serial1.begin(115200); Serial.println("system startup"); //gsm.InitSerLine(115200); //initialize serial 1 gsm.TurnOn(115200); //module power on gsm.InitParam(PARAM_SET_1);//configure the module gsm.Echo(1); //enable AT echo}void loop(){ int response=0; char phone_num[20]; // array for the phone number string char string[160]; // if we get a valid byte, read analog ins: if (digitalRead(in1) == 0 ) { digitalWrite(ld1,HIGH); digitalWrite(rele1,HIGH); } else { digitalWrite(ld1,LOW); digitalWrite(rele1,LOW); } if (digitalRead(in2) == 0 ) { digitalWrite(ld2,HIGH); digitalWrite(rele2,HIGH); } else { digitalWrite(ld2,LOW); digitalWrite(rele2,LOW); } if (digitalRead(puls) == 0 ) { Serial.println("pulsante premuto"); digitalWrite(rele1,HIGH); delay(2000); digitalWrite(rele2,HIGH); delay(2000); digitalWrite(rele1,LOW); delay(2000); digitalWrite(rele2,LOW); delay(2000); response=gsm.DeleteSMS(1); Serial.print("Response del "); Serial.println(response); for (int i=0; i<=10; i++) { if (1 == gsm.GetPhoneNumber(i, phone_num)) { // valid phone number on SIM pos. #1 // phone number string is copied to the phone_num array #ifdef DEBUG_PRINT sprintf(string, "DEBUG position %i phone number:", i); gsm.DebugPrint(string, 0); gsm.DebugPrint(phone_num, 1); #endif } else { // there is not valid phone number on the SIM pos.#1 #ifdef DEBUG_PRINT gsm.DebugPrint("DEBUG there is no phone number", 1); #endif } } response=gsm.IsSMSPresent(SMS_UNREAD); Serial.print("Response UNREAD "); Serial.println(response); if (response) { gsm.GetSMS(response, phone_num, string, 160); #ifdef DEBUG_PRINT gsm.DebugPrint("Numero ",0); gsm.DebugPrint(phone_num ,0); gsm.DebugPrint("\r\n Testo ",0); gsm.DebugPrint(string ,0); #endif } delay (1000); response=gsm.IsSMSPresent(SMS_READ); Serial.print("Response READ "); Serial.println(response); if (response) { gsm.GetSMS(response, phone_num, string, 160); #ifdef DEBUG_PRINT gsm.DebugPrint("Numero ",0); gsm.DebugPrint(phone_num ,0); gsm.DebugPrint("\r\n Testo ",0); gsm.DebugPrint(string ,0); #endif } delay (1000); response=gsm.IsSMSPresent(SMS_ALL); Serial.print("Response ALL "); Serial.println(response); if (response) { response=gsm.GetAuthorizedSMS(2, phone_num, string, 160,1,9); #ifdef DEBUG_PRINT gsm.DebugPrint("Numero ",0); gsm.DebugPrint(phone_num ,0); gsm.DebugPrint("\r\n Testo ",0); gsm.DebugPrint(string ,0); gsm.DebugPrint("\r\n Auth ",0); gsm.DebugPrint(response,0); #endif } delay (1000); //gsm.HangUp(); } response=gsm.CallStatus(); Serial.print("Response "); Serial.println(response); delay (2000);} |
This firmware allows you to test the temperature sensor DS18B20. For communication with the sensor must have the library available from:
http://www.milesburton.com/Dallas_Temperature_Control_Library
Once loaded in the sketch TiDiGino, pressing the button will send an SMS containing the temperature at the specified number. Moreover, during a remote call, the sistem answer and pressing the keypad of your phone you can test the DTMF section.
For more detail: TiDiGino Contest


