Summary of Virtual USB Keyboard Using Arduino
This article discusses enhancing Arduino-based systems by enabling them to emulate USB keyboards or mice, allowing interaction with software not originally designed for external control. This capability lets an Arduino "type" into web forms, control games, or serve as custom input devices such as chording keyboards, virtual keyboards, or VR controllers by emulating standard USB input devices.
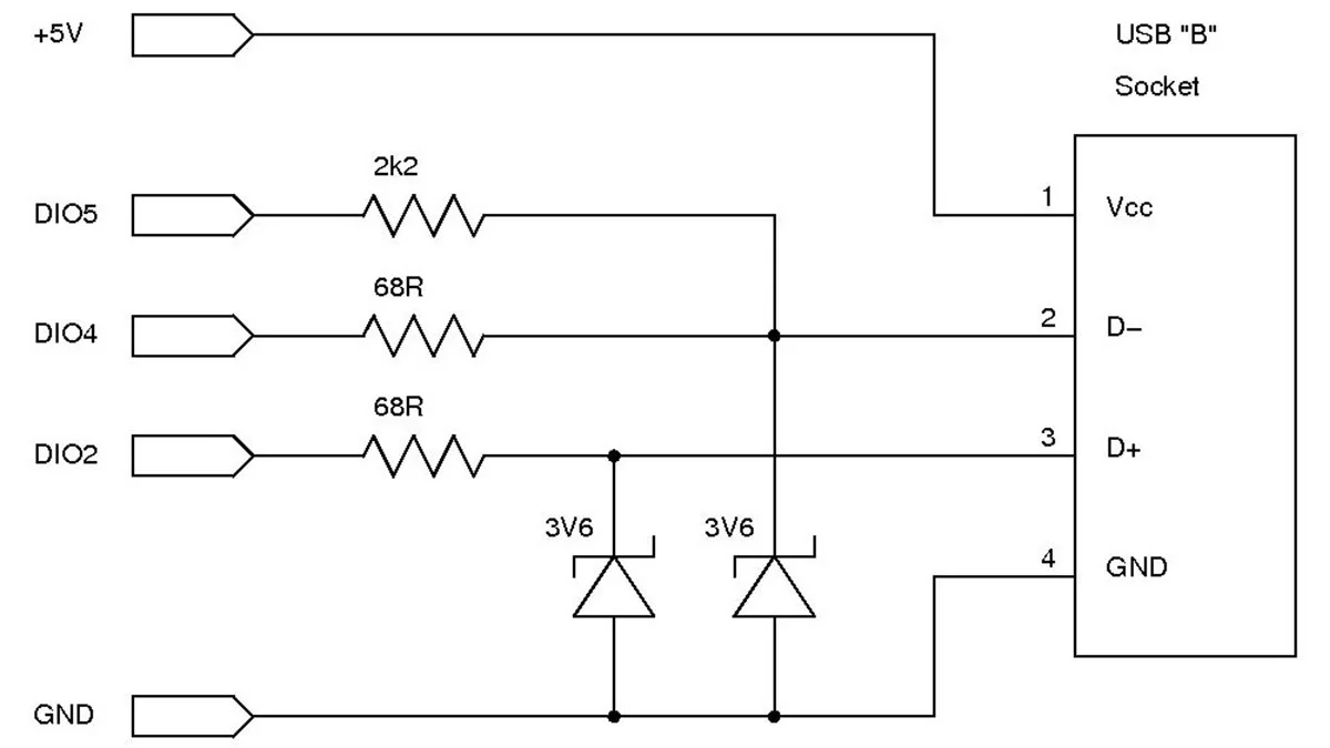
Parts used in the Virtual USB Keyboard Using Arduino:
- Prototyping shield
- Mount female USB
- Seeeduino
- Pushbuttons
Communicating with a host computer can allow a simple Arduino-based system to gain access to a wide variety of devices and information.
Most people link an Arduino to a host using serial communications across a USB connection with custom code running on the host to send information to the Arduino or receive it in return, but giving your Arduino the ability to pretend to be a keyboard or mouse opens up a whole world of possibilities because it means your Arduino can interact with software that was never intended for external control. That could be desktop software such as a game or a web browser: your Arduino could “type” into a web form and submit it on your behalf, or act as a custom controller for a game!

Or you could use an Arduino to connect a custom input device to your computer so that it emulates a regular keyboard or joystick. The custom input device could be a chording keyboard, a virtual keyboard, or even something like a virtual reality glove or head tracking system controlling your pointer by emulating a joystick.
Prototyping shield
mount female USB
Seeeduino
pushbuttons
For more detail: Virtual USB Keyboard Using Arduino

