Summary of Working with a Load Cell and an Arduino
This project aims to measure the force exerted by eight air-clamping cylinders pressing glass to a sidewall to prevent cracking. It uses an FX 1901 Compression Load Cell to sense force, which outputs a small voltage change amplified by a Burr-Brown INA125 Instrumentation Amplifier. An Arduino reads the amplified signal from its analog pin, running code that calibrates the sensor with known loads to provide real-time force readings. This setup offers an inexpensive and practical solution for monitoring clamping force.
Parts used in the Load Cell Force Measurement System:
- Eight air-clamping cylinders (McMaster-Carr 62185K64)
- FX 1901 Compression Load Cell
- Burr-Brown INA125 Instrumentation Amplifier
- Arduino Board
We built a system that uses eight air-clamping cylinders (McMaster-Carr 62185K64) to push down on a piece of glass to seal it to a sidewall. A number of times, the glass has cracked. So, this project is an attempt to come up with an inexpensive way of measuring how many pounds of force the cylinders are exerting.
The sensor that we want to use is a load cell (an arrangement of strain gauges). The specific load cell that we’re using is the FX 1901 Compression Load Cell. We bought ours from Mouser for $30.
Load cells only make a very small change in voltage, so you have to use an instrumentation amplifier to increase the voltage to something we can use. The specific instrumentation amplifier that we’re using is the Burr-Brown INA125 Instrumentation Amplifier. This also came from Mouser and cost just under $6.
The fastest way to hook everything together and see if it would work was to use an Arduino board and use the computer for readout. These boards can be purchased for around $30.
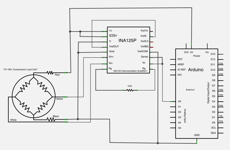
Here is a basic schematic of what we were trying to do.
Here is how everything looked hooking up all the parts.
Once everything is hooked up, we just needed to write a program that would read analog pin 0 on the arduino, since that’s where we hooked up the output of the amplifier.
// Arduino with load cell
// Put two known loads on the sensor and take readings. Put those values
// here.
float aReading = 192.0;
float aLoad = 15.0; // lbs.
float bReading = 344.0;
float bLoad = 24.3; // lbs.
long time = 0;
int interval = 500; // Take a reading every 500 ms
void setup() {
Serial.begin(9600);
}
void loop() {
float newReading = analogRead(0);
// Calculate load based on A and B readings above
float load = ((bLoad - aLoad)/(bReading - aReading)) * (newReading - aReading) + aLoad;
// millis returns the number of milliseconds since the board started the current program
if(millis() > time + interval) {
Serial.print("Reading: ");
Serial.print(newReading,1); // 1 decimal place
Serial.print(" Load: ");
Serial.println(load,1); // 1 decimal place, println adds a carriage return
time = millis();
}
}For more detail: Working with a Load Cell and an Arduino


