Skip to content

Latest commit

 

History

History
64 lines (46 loc) · 4.11 KB

File metadata and controls

64 lines (46 loc) · 4.11 KB

Creating Signpost Modules

To create a module for the signpost, it must conform to the module specification.

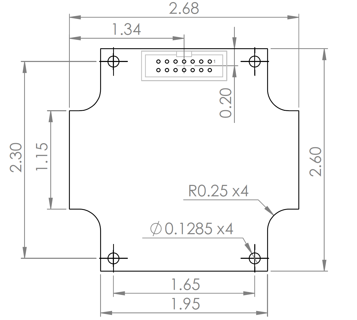
Physical Dimensions

All in inches.

Image

Header Signals

Description Signal Pin Pin Signal Description
GND 1 2 5V
Reserved 3 4 VCCIO I/O voltage the module uses. This must be fed by the module to set the I/O voltage.
I²C clock line. SCL 5 6 SDA I²C data line.
Pulse per second from GPS. PPS 7 8 MOD_OUT Interrupt line to the controller. Allows modules to signal the controller.
Reserved 9 10 MOD_IN GPIO from controller to module.
USB Data+ signal. USB_D+ 11 12 USB_D- USB Data- signal.
USB bus voltage (5 V). USB_VBUS 13 14 GND USB GND.

Debug Header Signals

Modules may choose to implement a Debug header as well. The Debug header will allow for easier interactions with modules while they are connected to the development version of the backplane.

Description Signal Pin Pin Signal Description
GND 1 2 GPIO1 Output line to control LED on development backplane
UART data from the module TX 3 4 RX UART data to the module
Output line to control LED on development backplane GPIO2 5 6 !Reset Active-low reset for the module microcontroller
JTAG line for the module microcontroller SWDCLK 7 8 SWDIO JTAG line for the module microcontroller

Existing Hardware Libraries and References

We have built sensor modules using both KiCAD and EAGLE. Generic module libraries that include a reference outline and header location are available in the Signpost Eagle Library.

All example sensor modules can be found in the modules folder.

Tips

We generally recommend using a processor supported by Tock or ARM Mbed.

Holes in the sensor modules that allow it to screw to the signpost backplane should be plated and tied to ground.

Module Review

We are happy to provide guidance on module creation! Feel free to reach out to us either through an issue or email at signpost-admin@eecs.berkeley.edu